Ny CQM5000
Si5351 syntese.
Målinger på
master-osc.
Si5351 familie
virkemåde.
FM med
Si5351B
Arduino SW
til Si5351B
Målinger på
uSDR HF RXTX.
Målinger på
BSP VFOer.
Til forrige side Til www.OZ1LN.dk

Om Si5351.


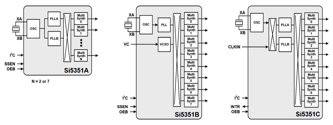
Si5351 familien fra Silicon Labs

er programmerbare generatorer, velegnet til at erstatte krystaller, krystaloscillatorer og faselåste sløjfer (PLL'er).

Si5351 findes i 3 udgaver, Si5351A, Si5351B og Si5351C, og i 3 forskellige pakninger: 10_MSOP, 24-QSOP og 20-QFN.

Se billede herunder, hentet fra databladet.

si5351_blokdiagram.jpg

Si5351A kan levere 3 programmerbare frekvenser, og B og C 8 programmerbare frekvenser, programmeret via en I2C bus.
Si5351B har indbygget en VCXO, som kan FM-moduleres med LF på benet VC.
Si5351C kan også styres på ben CLKIN af en udvendig frekvensgenerator fra 10 MHz til 100 MHz.

De styres af et krystal, typisk 25 MHz eller 27 MHz, men hvis krystallet fjernes kan de styres af en udvendig oscillator med
frekvens mellem 10 og 27 Mhz med firkantspænding 1 V pp, se databladets sektion 5.6.

Derved kan udgangssignalernes frekvensstabilitet forbedres, hvis der anvendes en generator med bedre frekvensstabilitet.

Jeg har købt 2 moduler til forsøg, på billedet herunder til venstre Si5351A og til højre Si5351B.
A versionen er meget billig, B versione noget dyrere. Søg for eksempel på AliExpress.

A versionen passer direkte på min foretrukne Arduino Nano, B versionen er 3.3V og skal have en lille spændingskonverter på.

si5351a_modul.jpg si5351b_modul.jpg

Til top af siden.

Virkemåde og kodning:

Signalet fra krystaloscillatoren OSC bruges som reference i to faselåste oscillatorer, PLLA og PLLB.
Signalerne fra de to PLLer føres til de 3 eller 8 programmerbare frekvensdelere MultiSynt, som leverer signaler til udgangsportene
CLK0, CKL1 og CLK2 (Si531A) eller CLK0 til CLK8 (Si5351B og C).
Man kan vælge hvilken PLL der er forbundet til de enkelte MultiSynth delere.

Programmering foregår ved at sende kommandoer ind på programmeringsbenene I2C.

Jeg bruger Arduino.

Der findes Arduino hjælpeprogrammer til Si5351, som man kan hente og installere i sit Arduino IDE kodeprogram, og derved
behøver man ikke at beregne, hvad PLL og MulthiSynth skal kodes til, der skal bare skrives ganske få linjer Arduino kode.

Eksempler:
#include "si5351.h" // hjælpebibliotek Etherkit Si5351 by Jason Mildrum 2.2.0
#include "Wire.h" // I2C kommunikation
Si5351 si5351;
void setup() {
si5351.init(SI5351_CRYSTAL_LOAD_8PF), 25000000, 0); // klargør Si5351 til 25 MHz krystalstyring.
si5351.set_freq(1234567800ULL, SI5351_CLK2); // sætter signal med 12.345678 MHz på port CLK2.
}
void loop()
{}

I "void loop" kan man skrive koder til knapper, display mm.

Men hvad laver hjælpeprogrammet, og hvordan er beregningerne?

Først skal PLL frekvensen sættes.
Den kan være fra 600 MHz til 900 MHz, og det hjælpeprogram som jeg bruger er kodet til at vælge en startfrekvens på 900 MHz.
900 MHz divideres med den frekvens man ønsker at få leveret, og resultatet kalder vi "divider".

"divider" skal helst være et lige heltal (forklaring følger senere *) så kun cifre før kommaet bruges som "divider".
Hvis "divider" er et ulige tal trækkes 1 fra, og vi har nu et lige heltal som "divider".

"divider" ganges nu med krystalfrekvensen (typisk 25 MHz), og det giver en frekvens, som kodes som ny PLL frekvens.

MultiSynth-deleren kodes med "divider", og MultiSynth-deleren dividerer derefter PLL frekvensen med "divider".
Den ønskede frekvens findes nu på den valgte CKL-port.

Hvis man skal bruge lave frekvenser ned til 8kHz findes der en R-deler, som kan dividere udgangssignaleret med 1-2-4-8-16----128.

*) For at få så rent signal som muligt med lav "jitter" på udgangene anbefales det at "divider" er et lige helt tal.
Da der kun er 2 PLL til deling mellem 3 eller 8 MultiSynth delere kan det blive nødvendigt at droppe denne anbefaling.

Til top af siden.

Uønskede signaler:

Udgangsfrekvenserne fra Si5351 er firkant-signaler, og der er rigtig mange harmoniske frekvenser. Billede til venstre herunder.

Det er til mange formål nødvendigt at filtrere harmoniske væk, og det gøres ved at sende signalet gennem et passende filter.

Men der kan være andre uønskede signaler:
MultiSynth delerne danner ekstra signaler, som som typisk ligger symmetrisk på hver side af den ønskede frekvens, og også
omkring de harmoniske.
Antal, frekvens og størrelse af de u-ønskede signaler ændrer sig, når man skifter frekvens, fordi deleforholdet ændrer sig.
Nogle frekvenser kan være næsten "rene" og andre kan være meget "snavsede". Billede til højre herunder.

Støj på spændingsforsyningen, støj fra krystaloscillatoren og støj som opsamles fra omgivelserne vil også kunne ses på udgangssignalet.

Det kan man ikke være bekendt at sende ud, og det vil også medføre støj og falske signaler i en modtager.

Støjdæmpning og afskærmning kan hjælpe til at formindske disse uønskede frekvenser.

spektrum_uden_filter.jpg side_spur.jpg

Virkemåden i Si5351 med multiplicering af krystalfrekvensen til den høje PLL frekvens og den efterfølgende neddeling gennem
MultiSynth delerne til brugsfrekvensen gør at støj i oscillatorkredsløbet vil blive forstærket mange gange.

Ved en ønsket frekvens på 145 MHz og med en krystaloscillator på 25 MHz bliver støjen ganget med ca 6 gange, og med
en krystalosillator på 10 MHz forøges støjen med ca 14 gange.

Det er derfor vigtigt at støjen fra oscillator kredsløbet er så lille som muligt.

Men det har den fordel at det er muligt at FM-modulere udgangsfrekvenserne, simpelthen ved at FM-modulere krystaloscillatoren.

Det er afprøvet og virker fint. Se mere om det her: FM-modulation.

Se mere om mine forsøg med Si5351 ved at klikke på "CQM5000 syntese" i topmenuen.

Til top af siden.



AFS7 html css w3 validation OK